Избранное
Популярные категории
Деревообработка
Дополнительное оборудование
Металлообработка
Оборудование для переработки проволоки
Оборудование для пищевой промышленности
Полимерное оборудование
Прочее оборудование
Сельскохозяйственное оборудование
Строительная техника
Товарные излишки
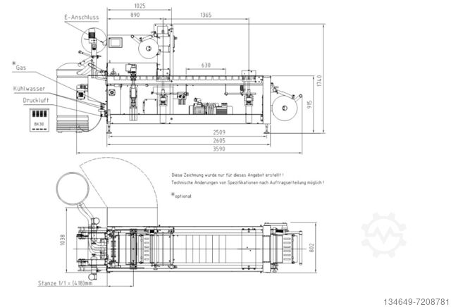
Упаковочная машина Variovac Optimus, р.в. 2014 г.

Упаковочная машина Variovac Optimus, р.в. 2014 г. Variovac Optimus OL0164

Год выпуска
2014
Состояние
отличное состояние (б/у)
Цена без учета НДС
3680000.00
Позвонить Написать нам в телеграм
Отправить сообщение
Описание

Упаковочная машина VARIOVAC Optimus — это машина, предназначенная для производства и разделения отдельных упаковок в лотках,
в которых продукт находится под давлением, вакуумом или в защитной атмосфере. С упаковщиком Variovac это возможно
Упаковывайте только те продукты, которые не выступают за края лотка.
Описание устройства:
Год выпуска: 2014
Устройство полностью работоспособно.
Материал: нержавеющая сталь
Формование лотка APET из рулона фольги с использованием регулируемого предварительного нагрева, вакуума и верхнего давления воздуха.
Bljceh N U Iqe R Nc Ifnei
Дату годности можно установить в формовочном инструменте.
Перед запечатыванием верхней фольги продукт вакуумируется. Машина также оснащена системой газификации (очистки газа).
Запаянная верхняя фольга охлаждается водяным охладителем.
Чаша разрезается поперечным и продольным разрезом.
Готовый продукт покидает машину на конвейерной ленте.
Внешние обрезки фольги наматываются на намоточные катушки, а центральные обрезки всасываются через трубу в контейнер.
Текущий формат чаши: 8,6 см x 7,6 см x 3,2 см – заполненный объем 135 – 150 мл.
Возможность изменения формата чаши до 300 мл.
Возможность покупки с двухголовым наполнителем из нержавеющей стали или без него, при этом наполнение происходит следующим образом:
- с использованием двухголовочного пневматического синхронизированного наполнителя с регулируемой дозировкой. Наполнитель оборудован
пневматическое перекачивающее устройство из тележки в верхний бак.
Упаковочная машина Variovac Optimus, р.в. 2014 г.

Упаковочная машина Variovac Optimus, р.в. 2014 г. Variovac Optimus OL0164

Год выпуска
2014
Состояние
отличное состояние (б/у)
Цена без учета НДС
3680000.00
Позвонить Написать нам в телеграм
Отправить сообщение
Другие товары из коллекции
TRAYsealer Mondini E 590 XL
TRAYsealer
Год выпуска
2008
Состояние
отличное состояние (б/у)
Модель
E 590 XL
машина для приготовления напитков TETRA PAK CAP APPLICATOR TCA45 HELICAP27 1000 PRISMA
машина для приготовления напитков
Состояние
отличное состояние (б/у)
Модель
TCA45 HELICAP27 1000 PRISMA
Контрольные весы с металлоискателем Cintex CS4000
Контрольные весы с металлоискателем
Состояние
хорошее состояние (б/у)
Модель
CS4000
Горизонтальная упаковочная машина Dekapack Dekapack S4 - 35 / 2
Горизонтальная упаковочная машина Dekapack
Год выпуска
2000
Состояние
хорошее состояние (б/у)
Модель
S4 - 35 / 2
Круглый укупориватель Alwid Favorit-4SK
Круглый укупориватель
Год выпуска
2008
Состояние
хорошее состояние (б/у)
Модель
Favorit-4SK
Высокоскоростной картонажный станок Kliklok Concorde K170
Высокоскоростной картонажный станок
Состояние
хорошее состояние (б/у)
Модель
Concorde K170
Высокоскоростная автоматическая картонажная машина Bradman Lake SL903
Высокоскоростная автоматическая картонажная машина
Состояние
отличное состояние (б/у)
Модель
SL903
Контрольные весы с металлоискателем Fortress Stealth
Контрольные весы с металлоискателем
Год выпуска
2015
Состояние
хорошее состояние (б/у)
Модель
Stealth
Роботизированный погрузчик коробок Bradman Lake DRT
Роботизированный погрузчик коробок
Состояние
отличное состояние (б/у)
Модель
DRT
Высокопроизводительный запайщик лотков Ishida QX1100 FLEX
Высокопроизводительный запайщик лотков
Год выпуска
2016
Состояние
хорошее состояние (б/у)
Модель
QX1100 FLEX
Запайщик лотков Mondini Evolution 590 V/G
Запайщик лотков
Состояние
хорошее состояние (б/у)
Модель
Evolution 590 V/G
Денестер лотков Carsoe / Qupaq ANYTRAY
Денестер лотков
Состояние
отличное состояние (б/у)
Модель
ANYTRAY
Ротационный наполнитель для пластиковых ванн Hema / BW MRH 9/12
Ротационный наполнитель для пластиковых ванн
Состояние
хорошее состояние (б/у)
Модель
MRH 9/12
Упаковочная машина для овощей Gillenkirch 7000-E
Упаковочная машина для овощей
Год выпуска
2004
Состояние
хорошее состояние (б/у)
Модель
7000-E
Delford SP800 Flowpack Delford SP 800
Delford SP800 Flowpack
Состояние
б/у
Модель
SP 800
Вакуумная машина VC 999 07S
Вакуумная машина
Состояние
хорошее состояние (б/у)
Модель
07S