Избранное
Популярные категории
Деревообработка
Дополнительное оборудование
Металлообработка
Оборудование для переработки проволоки
Оборудование для пищевой промышленности
Полимерное оборудование
Прочее оборудование
Сельскохозяйственное оборудование
Строительная техника
Товарные излишки
Оборудование сварочного стола DUMETA D-D-400
Оборудование сварочного стола DUMETA D-D-400
Оборудование сварочного стола DUMETA D-D-400
Оборудование сварочного стола DUMETA D-D-400
Оборудование сварочного стола DUMETA D-D-400
Оборудование сварочного стола

Оборудование сварочного стола DUMETA D-D-400

Состояние
новое
Цена без учета НДС
Цена по запросу
Позвонить Написать нам в телеграм
Отправить сообщение
Описание
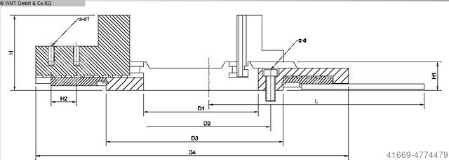
диапазон зажима патрона 120 - 380 мм
высота 95 мм
Djc Ed Dofv Awtjdcswb
дневной свет 170 мм
наружный диаметр Футтер 400 мм
наружный диаметр Шпанхель 600 мм
вес 26 кг

Характеристики:
Самоцентрирование.
Реверсивные челюсти.
Фиксированные зажимные рычаги обеспечивают быструю смену заготовки.
Низкий вес и плоская конструкция минимизируют центр тяжести.
Быстрый патрон D-D обеспечивает быструю замену продукта и подходит для следующих случаев
отлично справляется с частой сменой компонентов. Вам не нужен свободный
Быстросъемный ключ, так как рычаги интегрированы в быстросъемный патрон.

Оборудование сварочного стола

Оборудование сварочного стола DUMETA D-D-400

Состояние
новое
Цена без учета НДС
Цена по запросу
Позвонить Написать нам в телеграм
Отправить сообщение
Другие товары из коллекции
Сварочный поворотный стол – сварочное поворотное устройство с кожухом, автоматический сварочный пово
Сварочный поворотный стол – сварочное поворотное устройство с кожухом, автоматический сварочный пово
Состояние
б/у
сварочный стол CORMAK ST915
сварочный стол
Год выпуска
2025
Состояние
новое
Модель
ST915
#4602 СТОЛ ДЛЯ СБОРКИ Т-ОБРАЗНЫХ ПАЗОВ, СТОЛ ДЛЯ СВАРКИ
#4602 СТОЛ ДЛЯ СБОРКИ Т-ОБРАЗНЫХ ПАЗОВ, СТОЛ ДЛЯ СВАРКИ
Состояние
б/у
Поворотно-наклонный стол M4M D-TLP 06 для сварки M4M D-TLP 06
Поворотно-наклонный стол M4M D-TLP 06 для сварки
Год выпуска
2021
Состояние
отличное состояние (б/у)
Модель
D-TLP 06
Сварочный стол Protec L - Positionierer HDL 4000
Сварочный стол
Год выпуска
2025
Состояние
новое
Модель
HDL 4000
Плита для выправки и сварки из стального и серого чугуна, сильно оребренная, литая плита, тяжёлая вы  2000x1500
Плита для выправки и сварки из стального и серого чугуна, сильно оребренная, литая плита, тяжёлая вы
Состояние
б/у
Модель
2000x1500
Сварочный поворотный стол - круглый HEUEN - CLOOS Roboterschweißanlage
Сварочный поворотный стол - круглый
Год выпуска
2007
Состояние
б/у
Модель
Roboterschweißanlage
5423 - стол для сборки сварочного стола с t-образными пазами
5423 - стол для сборки сварочного стола с t-образными пазами
Состояние
хорошее состояние (б/у)
Поворотно-наклонный стол M4M - D-DWR-3 M4M D-DWR-3
Поворотно-наклонный стол M4M - D-DWR-3
Год выпуска
2021
Состояние
хорошее состояние (б/у)
Модель
D-DWR-3
Сварочный стол, поворотный стол, сварочный поворотный стол Protec Schweisstische
Сварочный стол, поворотный стол, сварочный поворотный стол
Год выпуска
2025
Состояние
новое
Сварочная пластина UNBEKANNT / UNKNOWN
Сварочная пластина
Год выпуска
1900
Состояние
б/у
Плита для правки и сварки из стального и серого литья, сильно ребристая, бывшая разметочная и измери  1000x1000
Плита для правки и сварки из стального и серого литья, сильно ребристая, бывшая разметочная и измери
Состояние
б/у
Модель
1000x1000
сварочный стол ROTARY WELDING TABLE 6 T
сварочный стол
Состояние
хорошее состояние (б/у)
Поворотный стол для сварки, поворотное устройство Protec Hub Drehvorrichtung SHD 1000 fahrbar
Поворотный стол для сварки, поворотное устройство
Состояние
новое
Модель
SHD 1000 fahrbar
Плита для правки и сварки из стального и серого чугуна, сильно ребристая, бывшая разметочная и измер  1000x800
Плита для правки и сварки из стального и серого чугуна, сильно ребристая, бывшая разметочная и измер
Состояние
б/у
Модель
1000x800
Сварочный поворотный стол, позиционер Protec Hub Drehvorrichtung SHD 500
Сварочный поворотный стол, позиционер
Состояние
новое
Модель
SHD 500